- Интернет магазин замков
- •
- Каталог товаров ⭐
- •
- Сердцевины (личинки) замка 🌟
- •
- Сердцевины (личинки) врезного замка ⚡️
- •
- Цилиндр WILKA 3605 КАРАТ S3 80Т (40*40Т) никель ⭐
Цилиндр WILKA 3605 КАРАТ S3 80Т (40*40Т) никель
Артикул: 37657
В наличии
Нашли дешевле?
Снизим цену!
Доставка
Оплата
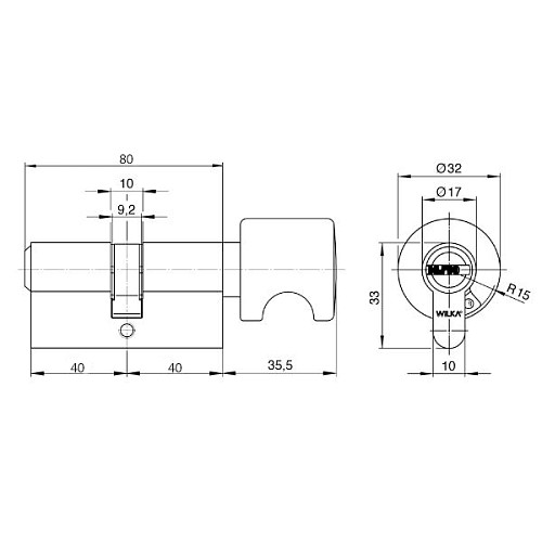
1.Строение цилиндра
Цилиндр содержит в своей конструкции до 12 контрольных штифтов за латуни и стали на двух уровнях. Это обеспечивает высокий уровень защиты от взлома. За счет этого работа сердцевины будет плавной и долговечной. Дополнительное никелированное покрытие укрепляет надежную защиту, поэтому данная модель может использоваться в огнестойких дверях. Коррозионная стойкость обеспечивает возможность установки во влажных помещениях (ванны, сауны, холодильные камеры и т.п.). Также это существенно увеличивает срок эксплуатации. Он составляет более 100 000 циклов работы.
2.Защита против бампинга
Взлом методом бампинга простых сердцевин реализуется за счет специального бамп-ключа, удары по которому заставляют подпрыгивать пины цилиндра.
Если поймать момент, когда все пины находятся на одной линии, можно открыть механизм. Защита от этого метода обеспечивается пинами особой гантелевидной формы, которые гасят силу удара и затрудняют открывание этим методом и отмычками. Также принимают участие боковые пины контроля профиля ключа, которые делают невозможным открывание этим методом, если нет соответствующей нарезки на ключе. Как следствие, это не позволит провернуть плаг цилиндра.
3.Защита от высверливания
В корпусе цилиндра и плазе вмонтированы стальные закаленные стержни – они защищают от сверления или фрезерования. При попытке просверлить отверстие, сверло будет вести в сторону или оно сломается. Но мы все равно рекомендуем при установке на входной двери использовать врезную броненакладку, это усилит конструкцию и значительно усложнит любые манипуляции с цилиндром.
4.Защита против дублирования ключа

В ключе присутствует предохранительный SV пин, считываемый сердцевиной во время оборота на 180°.
Ключ имеет парацентрический профиль: это усложняет открывание манипулятивными методами. Дубликат ключа нарезается только в официальных сервисных центрах и только при наличии кодовой карты владельца. Вы на 100% защищены от того, что кто-то может взять ключ и без вашего согласия сделает копию.

Никель.

Никель.
Система "Один ключ".
Несколько цилиндров можно отпирать одним ключом.
При этом секретность не снижается!
Например, для личного пользования можно одним ключом отпирать калитку, входную дверь дома, гараж и не носить связи с ключей.
Купить цилиндр WILKA 3605 КАРАТ S3 80Т (40*40Т) никель в розницу и оптом можно на нашем сайте.
Мы проработаем Ваш заказ в течение 15 минут.
Отправляем товар в Киев, Харьков, Днепр, Одессу, Львов, Винницу и любой другой населенный пункт Украины за 1-2 дня.
| Прочие | ||
| Производитель | WILKA (Германия) | |
| Страна производитель | Германия | |
| Модель сердцевины | WILKA 3600/3605 Carat S3 | |
| Способ открывания | ключ - вороток | |
| Длина цилиндра | 80 мм (40x40T) | |
| Тип ключа | профильный (лазерный) | |
| Количество ключей | 3 шт | |
| Опции | Цельный корпус | |
| Материал | латунь | |
| Цвет сердцевины | никель | |
| Цвет воротка серцевины | никель | |
| Защита от сверления | Да | |
| Защита от перелома | Нет | |
| Защита от бампинга | Да | |
| Защита от отмычек | Да | |
| Гарантия | 36 месяцев | |
В наличии
Нашли дешевле?
Снизим цену!
Доставка
Оплата